Se il potenziometro nasce male, sostituiamolo

Terzo episodio: la sostituzione del potenziometro

Nuovo potenziometro per il TR-851: trovato in Cina!

E siamo al terzo episodio della storia del potenziometro del volume e dello squelch della radio Kenwood TR-851 ma, volendo, storia valida anche per il TR-751, il fratello in versione VHF di questa coppia di ricetrasmettitori.

Nuovo Pot. TR-851: i pomelli vanno bene...

Ho cercato un potenziometro sostitutivo in lungo ed in largo per il mare magnum di Internet e, alla fine, ho comprato quello che più si avvicinava dal famoso sito cinese, ripromettendomi di continuare a cercare il modello che potesse sostituirlo perfettamente. Il chimerico potenziometro, con le sue uniche caratteristiche, resta, al momento, un miraggio.

Kenwood TR-851: confronto tra il vecchio montato ed il nuovo

Mi accontento, pertanto, di riportare la radio in perfetto funzionamento, seppur con qualche piccola differenza: il nuovo potenziometro, infatti, ha l'alberino leggermente più corto (5 mm), ha un interruttore di accensione rotativo, la tacca del pomello spostata di 180 gradi ed i piedini con spaziature diverse...

Tutti problemi risolvibili

Kenwood TR-851: Il nuovo potenziometro sulla sua basetta

A dirla tutta, neanche il valore è quello giusto: ho trovato un doppio potenziometro da 50KOhm logaritmico ma, una volta montato, questa differenza è quasi impercettibile.

Un pochino più complicata la soluzione dei "pin" completamente fuori posto: la soluzione è stata quella di far entrare quelli davanti dello squelch, piegare ed allungare quelli del volume e piegare leggermente quelli dell'interruttore, in modo che potessero entrare nei fori della basetta. Era mia intenzione non effettuare modifiche su di essa in modo da lasciarla «come mamma Kenwood la fece» nel caso si trovi un potenziometro più adatto.

Niente di difficile, dunque: usare, tuttavia, la massima attenzione per non rompere nulla.

Kenwood TR-851: Confronto tra il vecchio ed il nuovo potenziometro con i contatti allungati

Per allungare i contatti ho usato dei reofori di componenti elettronici che conservo sempre una volta tagliati: prestare attenzione a eventuali saldature fredde o alle superfici dei reofori ossidate.

Alla fine, il nuovo potenziometro, anche se leggermente sollevato dalla basetta, è andato in sede: si tratta di un buon compromesso che mi permette di usare, comunque, la radio. Spariti, ovviamente, i fastidiosissimi scricchiolii che caratterizzavano il potenziometro originale cui poco aveva giovato la riparazione di cui ho scritto nel secondo episodio di questa saga...

Fase del montaggio del nuovo potenziometro sulla basetta del TR-851

Alla fine, la sostituzione del potenziometro non ha richiesto molto tempo, in gran parte speso ad adattare i piedini ed a copiare le caratteristiche del secondo potenziometro, quello del RIT/RF Gain, che -probabilmente- non tarderà di dar fastidio, richiedendo anch'esso una debita sostituzione. Prima che smetta di funzionare, ne cerco uno in rete.

Le differenze dell'interruttore di accensione

Come anticipato, la radio, normalmente, si accende pigiando il pomello del volume e l'interruttore consta di due contatti che fanno capo a due interruttori: uno normalmente chiuso quando la radio è spenta (praticamente non usato) ed uno normalmente aperto: spingendo l'interruttore, lo stato dei contatti si inverte. Vista l'impossibilità di un reperire un ricambio simile, il nuovo potenziometro dispone di un interruttore rotativo a un solo contatto normalmente aperto a radio spenta, con i pin ruotati di 90 gradi rispetto all'originale.

Anche in questo caso è stata necessaria una piccola modifica, consistente in un contatto tra due piste della basetta e facilmente reversibile in caso trovassi un interruttore più adatto.

L'immagine spiega meglio le differenze e la modifica fatta:

Dettagli interruttore accensione del TR-851/TR-751

Inoltre, la presenza di un contatto non usato mi porta a pensare che lo stesso potenziometro originale (con numero di riferimento RV50303522) sia nato per altri scopi ed usato da Kenwood per questa radio. Come pure, la presenza di radio prive del difetto, mi lascia sperare che ci sia, in giro, un ricambio simile, se non addirittura uguale, che mi porterà a ripristinare le funzionalità originali.

Differenze nella linea di produzione

La parola a Saverio, IK7IWF

L'interruttore del mio TR-851 aveva solo due contatti: quindi stiamo già verificando una differenza di versione. In ogni caso sullo schema del «service manual» riporta un interruttore a 2 contatti che interrompe il positivo.

Bisognerebbe controllare se lo schema della radio in tuo possesso è diverso, oppure se cambia solo la basetta dedicata per poter usare un tipo diverso di potenziometro che ha un doppio contatto solo per il positivo. Interrompere anche il negativo, infatti, non avrebbe senso e potrebbe essere anche dannoso nelle installazioni mobili in caso di cariche elettrostatiche sull'antenna.

Comunque per i miei potenziometri ho dovuto modificare i fori sulla basetta, dal momento che rispetto a quelli originali c'erano delle piccole differenze nella posizione dei reofori dei potenziometri.

Nello specifico, per il TR751 ho dovuto fare una basetta ad-hoc perché il potenziometro era totalmente diverso.

Kenwood e le differenze di versione

Le differenze di versione non sono una novità per la Kenwood.

Nel caso del TS-450S, ad esempio, ho scoperto che esistono ben 6 versioni leggermente diverse dell'autotuner, le quali hanno dei PIC programmati diversamente.

L'ho scoperto quando ho tentato di scambiare gli accordatori di due TS-450S che sembravano apparentemente identici, ma uno dei due non dialogava con la scheda.

Andando a fondo ho scoperto che su una delle due radio, l'accordatore era stato sostituito e non funzionava, ma scambiando gli accordatori non funzionava più ne una e nell'altra.

Ricercando le possibili cause, sono riuscito a trovare in rete le modalità per entrare in un menù di servizio nascosto che stabiliva la tipologia di comunicazione fra il controllore principale e l'autotuner e lì ho potuto capire che esistevano ben sei modalità di comunicazione diverse in base al tipo di accordatore montato dentro.

Non sapendo quale fosse la versione dell'autotuner che c'era dentro, le ho provate tutte e sei e finalmente, dopo tante prove, ho trovato quella che permetteva alla radio di far funzionare l'accordatore automatico regolarmente.

Come dico sempre io, non si finisce mai di imparare e a ogni radio con guasti critici, spunta fuori una novità che non ti aspetti.

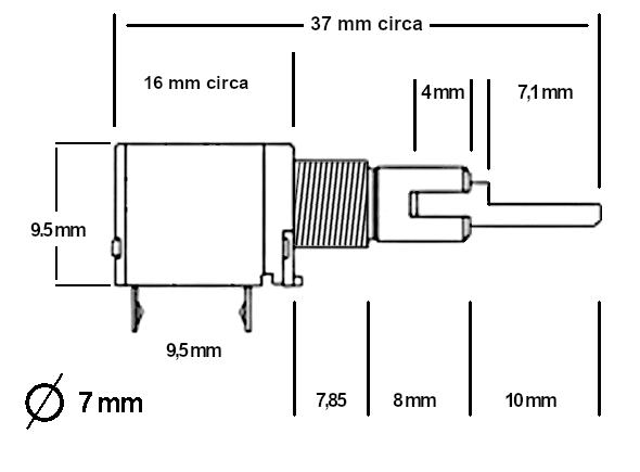
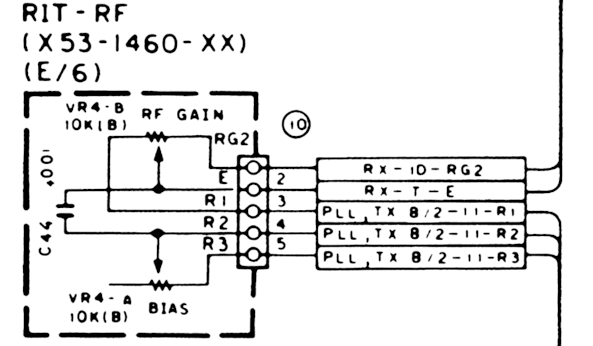
Specifiche del secondo potenziometro

TR-851: Dettaglio del potenziometro RIT/RF Gain

Il «secondo potenziometro» è quello del «RIT/RF Gain» che, durante la prova fatta da Saverio, mostrava i primi segni di decadimento: pertanto, a vantaggio mio e di chi ne avesse bisogno, riporto qui le sue caratteristiche.

Si tratta di un potenziometro doppio, coassiale, da 10KOhm lineari (numero di riferimento: RV20303523): le sue dimensioni sono simili a quelle dell'altro con la notevole differenza che non è provvisto di interruttore: mi auguro che la sua reperibilità sia più facile.

TR-851: Dettaglio del potenziometro RIT/RF Gain

Le immagini che seguono ne riepilogano dimensioni e caratteristiche:

Dettagli del potenziometro RIT/RFGain del TR-851/TR-751 Dettagli del potenziometro RIT/RFGain del TR-851/TR-751 Ecco lo schema preso dal manuale del service con altri dettagli: Dettagli dello schema RIT/RFGain del TR-851/TR-751

In conclusione

Kenwood TR-851: il pomello leggermente corto

Volendo concludere, non posso che sottolineare che il nostro hobby è pieno di ostacoli che un buon radioamatore deve fronteggiare senza scoramento. Il compito è reso più lieve dalla presenza di validi colleghi i cui consigli non possono che aiutare.

Pertanto, il mio ringraziamento va a Saverio, IK7IWF, che ha un po` aperto la strada di questa riparazione qualche mese fa, ripristinando le sue radio che aveva riposto nel cassetto proprio per il difetto sui potenziometri: senza i suoi consigli sarebbe stato tutto più complicato.

Ora, al netto delle piccole differenze, il mio TR-851E è tornato a funzionare e non resta che un ultimo passo: mettere anche qui i toni subaudio, senza i quali è impossibile transitare sui ripetitori...

Gli episodi di questa vicenda

Ho suddiviso questa storia in tre episodi distinti:

Primo episodio: problemi di un grande marchio...i potenziometri
Secondo episodio: se il potenziometro nasce male, ripariamolo!
Terzo episodio: se il potenziometro nasce male, sostituiamolo! (questa pagina)

Valid XHTML 1.0 Transitional